價 格: 詢價
起訂量:≥1件
關鍵詞:
描 述:
正壓關風器運用于稀相氣力輸送系統,設備可直接安裝對接輸送管線。正壓關風器工作原理空氣進口和出料口位于殼體端蓋下部,壓力輸送氣流從設備一端進入,直接貫通轉子葉片的V形料倉,混合物料后從出料口進入輸送管線。這種設計可以有效的讓氣流清理并輸送走殘留在V形料倉里的粉狀物料。緊湊的外形設計方便現場安裝。
本系列產品在完成物料從倉體向管路輸送的同時,阻止風力通向料倉,是氣力輸送工程必不可少的部件,廣泛應用于食品、醫藥、化工、能源、冶煉、環保等行業。它具有連續工作,速度可調,定量加料,啟閉控制方便等優點。該設備不適合高硬度,易造成磨損的顆粒物料。
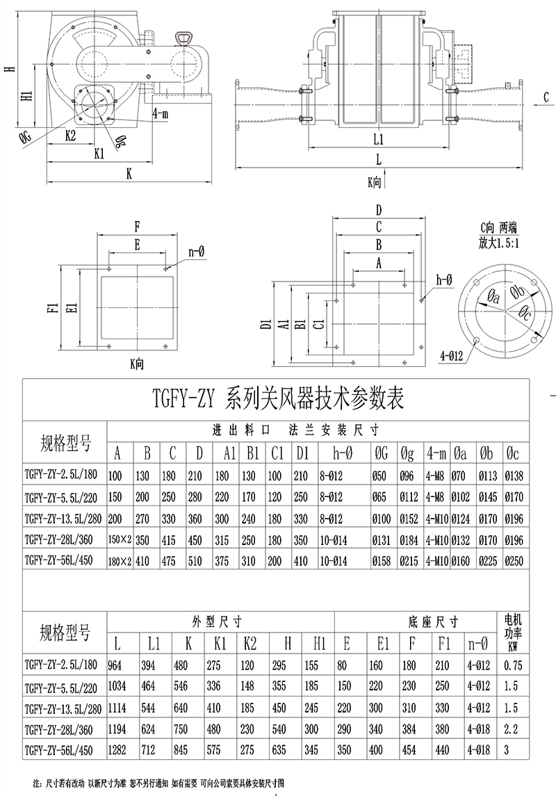
壓力范圍:2kg/cm2系統壓力或壓差。
入口/出口:入口為方形與料倉或管道連接,出口側置,結構緊湊,安裝方便,適用于高壓氣體對物料的輸送。
軸承外側布置:防止粉塵侵入軸承;增大設備適應溫度的使用范圍。
兩側氣封式密封:
全新氣封式葉輪關風器是針對目前關風器存在的問題,參考國外先進技術,改進設計的一種全新氣封式葉輪關風器。
平衡氣壓裝置:通過氣壓平衡裝置平衡關風器進出料端密閉倉的氣壓,減少了葉輪旋轉帶出的高壓氣體。
驅動方式:鏈驅動為主,根據空間也可選用馬達直連驅動。
動力配置:硬斜齒減速機,[特殊動力按需方要求配制]。
1、訂購不同的變徑接頭可以適應不同的輸送管道安裝。
2、溫差、濕度大的地區選購油水分離器可以防止多余水汽進入設備。
